Skip to content
HOME
ABOUT US
DENTAL SERVICES
DENTAL IMPLANTS
PORCELAIN VENEERS
TEETH WHITENING
RESTORATIVE DENTISTRY
ALL-ON-4
ALL-ON-6
IMPLANTS FOR DIABETICS
DENTISTS
Costs
DENTAL TOURISM
OUR WORK
CONTACT US
Search for:
Search
Home
/
News
/
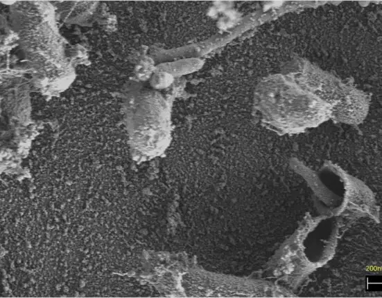
Microbes in Dental Plaque and in Soil Have Much in Common
Microbes in Dental Plaque and in Soil Have Much in Common
December 16, 2020
bacteria
,
clades
,
dental plaque
Prev
Previous
ADA releases COVID-19 vaccine fact sheet
Next
FGDP appoints new DCP Representative
Next